Google News

Điện mặt trời áp mái - lựa chọn hợp lý trong phát triển NLTT

Với đặc điểm địa hình, khí hậu, thời tiết, nước ta có tiềm năng khá lớn bức xạ mặt trời, ước tính tiềm năng kỹ thuật có thể phát triển điện mặt trời ở Việt Nam có thể lên tới gần 340.000 MWp.

Với chính sách của Nhà nước khuyến khích phát triển nguồn điện từ năng lượng tái tạo, rất nhiều dự án nguồn điện mặt trời đã được triển khai đầu tư xây dựng. Với quy mô khoảng 50 MW một dự án ĐMT cần diện tích đất bằng phẳng khoảng 60 hecta, khá tốn đất đai. Ngoài ra do việc phát triển ồ ạt ĐMT trên một số tỉnh nhất định đã gây nguy cơ quá tải lưới điện và mất an toàn trong vận hành hệ thống điện. Nhà nước đã phải đầu tư trêm hàng ngàn tỷ đồng để tăng cường, nâng cấp đường dây truyền tải và trạm biến áp (kể cả lưới điện siêu cao áp 500 kV) để có thể hấp thụ được lượng công suất đã được duyệt. Tương lai cho tiếp tục nâng công suất các trang trại ĐMT còn nhiều khó khăn về khả năng đầu tư thêm lưới điện truyền tải.

1/ Điện mặt trời áp mái:

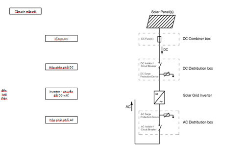
Điện mặt trời được lắp đặt với quy mô nhỏ trên mái nhà dân, mái tòa nhà thương mại, mái công xưởng, nhà máy... với quy mô vài kW tới cỡ MW được gọi là ĐMT áp mái (ĐMTAM), với cấu tạo được minh họa đơn giản như sau:

Điện mặt trời áp mái - lựa chọn hợp lý trong phát triển NLTT ảnh 1 

Các tấm pin mặt trời thông dụng có công suất khoảng 290 -:- 350Wp được thiết kế kiểu panel với kích thước 1956x992x50 mm, diện tích khoảng 1,9 m2. Nếu diện tích mái nhà khoảng 20 m2 thì có thể lắp đặt được 10 panel, công suất điện cực đại thu được khoảng trên 3 kWp, đủ dùng cho các thiết bị điện thông dụng trong một gia đình.

2/ Ưu điểm của ĐMTAM

- Không tốn diện tích đất;

- ĐMTAM giúp tăng cường chống nóng hiệu quả cho các công trình;

- ĐMTAM có quy mô nhỏ, lắp đặt phân tán nên được đấu nối vào lưới điện hạ áp và trung áp hiện hữu, không cần đầu tư thêm hệ thống lưới điện truyền tải;

- ĐMTAM được lắp đặt nhiều ở các mái nhà trong thành phố, trong KCN nên có tác dụng làm giảm quá tải lưới điện truyền tải từ các nguồn điện truyền thống, thường đặt ở xa các trung tâm đông dân. Ví dụ khi có 150 ngàn hộ tại khu vực TP Hồ Chí Minh đầu tư từ 3 - 5 kW ĐMTAM, có thể tạo ra công suất điện tại chỗ khoảng 600 MW trong giờ cao điểm trưa, tương đương công suất một nửa nhà máy nhiệt điện than như Vĩnh Tân I hoặc Duyên Hải I;

- ĐMTAM với quy mô nhỏ, thích hợp để khuyến khích nhiều cá nhân, tổ chức tham gia đầu tư kinh doanh với vốn không lớn, đạt mục tiêu xã hội hóa - huy động các nguồn vốn.

Điện mặt trời áp mái - lựa chọn hợp lý trong phát triển NLTT ảnh 2 

3/ Các nỗ lực của EVN

Mặc dù phải mua điện từ các nguồn ĐMT với giá cao hơn giá bán điện bình quân hiện hành, nhưng vì lợi ích chung của xã hội, EVN đã và đang có nhiều hoạt động hỗ trợ, khuyến khích ĐMTAM: văn bản số 1337/ EVN-KD ngày 21 tháng 3 năm 2018 và văn bản số 5113/EVN-KD ngày 9 tháng 10 năm 2018 gửi các đơn vị thành viên, đã có các hướng dẫn ban đầu tạo điều kiện cho các doanh nghiệp và tư nhân đầu tư phát triển ĐMTAM; chỉ đạo các đơn vị thành viên tiên phong thực hiện lắp đặt ĐMTAM trên mái các tòa nhà trụ sở, mái các công trình điều hành, trạm biến áp; tăng cường các hoạt động tuyên truyền quảng bá để doanh nghiệp và người dân đầu tư ĐMTAM v.vv...

Cuối năm 2018 tại các công trình xây dựng trực thuộc các đơn vị thành viên của EVN đã có trên 3,2 MW công suất ĐMTAM được lắp đặt, trong đó tại Tổng Cty điện lực Hà Nội 52 kWp, Tổng Cty điện lực miền Trung 352 kWp, Tổng Cty điện lực miền Nam 1.985 kWp[1]. Cuối năm 2018 trên toàn quốc ước tính có 1.800 khách hàng lắp đặt được 30,12 MWp công suất ĐMTAM.

4/ Những khó khăn cần tháo gỡ

Thứ nhất, hiện nay đơn giá lắp đặt ĐMTAM còn cao, khoảng 20 triệu -:- > 23 triệu đồng cho mỗi kWp công suất. Vì vậy, giá thành điện sản xuất ra cũng chưa cạnh tranh. Mặt khác, theo các điều tra khí tượng, khu vực miền Bắc và bắc Trung bộ có số giờ nắng ít hơn khu vực miền Nam Trung bộ và Tây nguyên, hiệu quả đầu tư ĐMTAM tại đây cũng còn thấp.

Thứ hai, do còn chậm có Thông tư hướng dẫn của cơ quan quản lý về các tiêu chuẩn kỹ thuật, cơ chế quy định cụ thể cho các nhà đầu tư (bên thứ 3) tham gia kinh doanh, cơ chế tài chính hỗ trợ cho người dân và doanh nghiệp đầu tư, nên nhiều hộ còn chần chừ, chờ đợi, dẫn đến quy mô phát triển ĐMT còn chưa tương xứng với tiềm năng.

Trong Hội thảo "Thúc đẩy phát triển ĐMTAM tại Việt Nam" ngày 27 tháng 2 năm 2019 vừa qua,  qua đánh giá kinh nghiệm triển khai các dự án ĐMT trong gần 2 năm 2017 - 2018, đã có một số kiến nghị như sau:

1. Tiếp tục tuyên truyền quảng bá về lợi ích của phát triển ĐMTAM;

2. Chính phủ khuyến khích các cơ quan, tổ chức thuộc các bộ ngành và các UBND các tỉnh, thành phố lắp đặt ĐMTAM;

3. Chính phủ có các cơ chế hỗ trợ các hộ gia đình một phần kinh phí đầu tư ban đầu nhằm khuyến khích các hộ lắp đặt ĐMTAM;

4. Chính phủ có cơ chế cho các nhà đầu tư (bên thứ 3) tham gia đầu tư ĐMTAM trên mái công trình;

5. Các nhà tài trợ, ngân hàng, các tổ chức quốc tế và trong nước tham gia sâu rộng vào thị trường ĐMTAM ở Việt Nam;

6. Các nhà sản xuất, cung cấp, lắp đặt phối hợp với EVN và các đơn vị Điện lực tuyên truyền, quảng bá, cung cấp các giải pháp, dịch vụ hỗ trợ mở rộng thị trường ĐMTAM.


[1] Nguồn: Ban Kinh doanh - EVN